Laboratóriumi üveg fúráshoz fejlesztett gyémánt fúrószerszámaink nagy hatékonyságot, hosszú élettartamot és kiemelkedő folyamatstabilitást biztosít, köszönhetően a felhasznált csúcsminőségű gyémántszemcsének, a saját fejlesztésű kötőanyagnak, valamint a modern gyártástechnológiának.
Elérhető alaptestek: alumínium, acél
Elérhető geometriák: 100GG, 100G-G, 100GRG, 100GRF
100GG alak-
Fúrószerszám laboratóriumi üveg fúráshoz
D/D1xX/X1xL

| Méretek | Kötés típusa | ||||||||
| D | D1 | X | X1 | L | Bakelit | Kerámia | Fém | Hibrid | Galván |
| 7 | 5 | 5 | 10 | X+X1+12 | • | ||||
| 8 | 6 | 5 | 10 | X+X1+12 | • | ||||
| 9 | 7 | 5 | 10 | X+X1+12 | • | ||||
| 10 | 8 | 5 | 10 | X+X1+12 | • | ||||
| 11 | 9 | 5 | 10 | X+X1+12 | • | ||||
| 11,5 | 9,5 | 5 | 10 | X+X1+12 | • | ||||
| 12 | 10 | 5 | 10 | X+X1+12 | • | ||||
| 13 | 6,8 | 10 | 8 | X+X1+12 | • | ||||
| 13 | 7 | 5 | 10 | X+X1+12 | • | ||||
| 15 | 12 | 10 | 5 | X+X1+12 | • | ||||
| 17 | 14,5 | 11 | 4 | X+X1+12 | • | ||||
| 19 | 13 | 10 | 5 | X+X1+12 | • | ||||
| 19,5 | 13,5 | 10 | 5 | X+X1+12 | • | ||||
| 21 | 19 | 5 | 3 | X+X1+12 | • | ||||
| 23 | 21 | 5 | 3 | X+X1+12 | • | ||||
| 24 | 22 | 10 | 5 | X+X1+12 | • | ||||
| 25 | 19 | 10 | 6 | X+X1+12 | • | ||||
| 26 | 18 | 10 | 5 | X+X1+12 | • | ||||
| 26 | 18 | 10 | 10 | X+X1+12 | • | ||||
| 33 | 24 | 10 | 3 | X+X1+12 | • | ||||
| 42 | 35 | 10 | 5 | X+X1+12 | • | ||||
| 42 | 37 | 10 | 5 | X+X1+12 | • | ||||
| 42 | 38 | 10 | 5 | X+X1+12 | • | ||||
| 45 | 33 | 12 | 10 | X+X1+12 | • | ||||
| 45 | 42 | 10 | 10 | X+X1+12 | • | ||||
| 45 | 43 | 12 | 10 | X+X1+12 | • | ||||
| 45,2 | 42,6 | 21,1 | 18,1 | X+X1+12 | • | ||||
| 47 | 33 | 12 | 10 | X+X1+12 | • | ||||
| 60 | 56 | 10 | 10 | X+X1+12 | • | ||||
| 61 | 57 | 10 | 10 | X+X1+12 | • | ||||
| 64 | 59 | 10 | 10 | X+X1+12 | • | ||||
| 100 | 96 | 10 | 5 | X+X1+12 | • | ||||
| 110 | 104 | 10 | 10 | X+X1+12 | • | ||||
| 115 | 110 | 10 | 10 | X+X1+12 | • | ||||
| 117,5 | 113,5 | 10 | 10 | X+X1+12 | • | ||||
| 120 | 116 | 10 | 10 | X+X1+12 | • | ||||
100G-G alak-
Fúrószerszám laboratóriumi üveg fúráshoz
D/D1xX/X1xL

| Méretek | Kötés típusa | ||||||||
| D | D1 | X | X1 | L | Bakelit | Kerámia | Fém | Hibrid | Galván |
| 4 | 6 | 10 | 45 | * | • | • | |||
| 4 | 7 | 10 | 43 | * | • | • | |||
| 4,5 | 6 | 10 | 45 | * | • | • | |||
| 4,5 | 8 | 10 | 45 | * | • | • | |||
| 5 | 7 | 10 | 45 | * | • | • | |||
| 5 | 9 | 10 | 45 | * | • | • | |||
| 7 | 10 | 10 | 45 | * | • | • | |||
| 7 | 11 | 10 | 45 | * | • | • | |||
| 10 | 15 | 10 | 45 | * | • | • | |||
| 10 | 17 | 10 | 40 | * | • | • | |||
| 10 | 19 | 10 | 50 | * | • | • | |||
| 12 | 14 | 10 | 51 | * | • | • | |||
| 50 | 60 | 10 | 44 | * | • | • | |||
| 65 | 76 | 10 | 51 | * | • | • | |||
| 65 | 78 | 10 | 51 | * | • | • | |||
| 65 | 79 | 10 | 51 | * | • | • | |||
| 66 | 79 | 10 | 51 | * | • | • | |||
| 68 | 78 | 10 | 27 | * | • | • | |||
| 69 | 79 | 10 | 27 | * | • | • | |||
100GRG alak-
Fúrószerszám laboratóriumi üveg fúráshoz
D/D1xTxXxRxV°

| Méretek | Kötés típusa | |||||||||
| D | D1 | T | X | R | V° | Bakelit | Kerámia | Fém | Hibrid | Galván |
| 26 | 22 | 83 | 20 | 17 | 40 | • | ||||
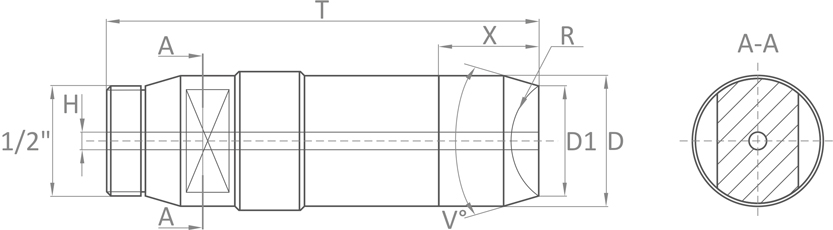
100GRF alak-
Fúrószerszám laboratóriumi üveg fúráshoz
D/D1xTxXxRxV°

| Méretek | Kötés típusa | |||||||||
| D | D1 | T | X | R | V° | Bakelit | Kerámia | Fém | Hibrid | Galván |
| 26 | 22 | 83 | 20 | 17 | 40 | • | ||||
| 27 | 22 | 83 | 20 | 17 | 40 | • | ||||
A vágósebesség a szerszámok egyéb tulajdonságainak figyelembevételével 10m/s és 63m/s között lehetséges.
A fenti táblázatban szereplő értékek a gyártó partnereink ajánlott és jellemző méretei, egyedi igények esetén azoktól való eltérésre van lehetőség.
Az egyes síküveg összetételek hatékony megmunkálásához kérje technológiai tanácsadóink vagy műszaki értékesítőink ajánlatát.
